?(+86) 021-52901470
角度頭 (側銑頭)
BT30
ER11
ER16
ER20
ER25
BT40
ADC6
ER32
ER40
FA25.4
FA31.75
BT50
HSK63
CAT40
CAT50
SK30
SK40
SK50
NT50
角度頭配件
ADC 筒夾
Customized Flange Disc
Customized Setting Block / Stopper
Extension(for AHD)
Standard Setting Block / Stopper
VDI 刀座
DIN1809 ( DUPLOMATIC )
VDI30 動力刀座
VDI40 動力刀座
VDI50 動力刀座
VDI60 動力刀座
DIN5480 (SAUTER)
VDI20 動力刀座
DIN5482 (SAUTER)
HYUNDAI KIA
SPUR MT TOEM (BARUFFALDI)
VDI80 動力刀座
HAAS
固定刀座
VDI30 固定刀座
VDI40 固定刀座
VDI50 固定刀座
VDI60 固定刀座
變徑套
BMT 刀座
DOOSAN
BMT45 動力刀座
BMT45 固定刀座
BMT55 動力刀座
BMT55 固定刀座
BMT65 動力刀座
BMT65 固定刀座
BMT75 動力刀座
BMT75 固定刀座
BMT85 動力刀座
BMT85 固定刀座
HWACHEON
SAMSUNG
Reducing Sleeve
日本 動力刀座
MAZAK
MORI SEIKI
BMT40 固定刀座
BMT60 動力刀座
BMT60 固定刀座
NAKAMURA
OKUMA
BMT55.4 固定刀座
數控平旋盤(U軸頭)
車銑搖擺頭(5軸頭)
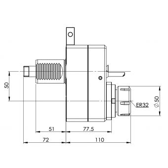
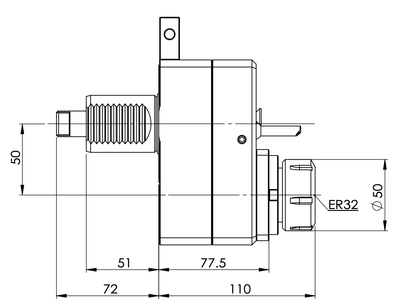
◎ VDI40-1809-ER32 Axial Offset Driven Tool Holder_Int.
◎ Tool Holder is produced in accordance with DIN 69880.
◎ Driven Coupling is according to DIN 1809.
◎ ER Collet is according to DIN 6499.
◎ For left hand and right hand turret.